SEARCH
TOOLBOX
LANGUAGES
modified on 14 July 2011 at 16:33 ••• 8,984 views

PRO050 Manual/Footprint Schematics

From Manuals

Jump to: navigation, search

Contents

Screw Terminal Schematic

The PRO050 board has a footprint for a 12 position screw terminal (T1). It has a pitch of 0.15 inches (3.81mm). Connections for prototyping can be made on PT1. The schematic for the screw terminals is below in Figure 7.

PRO050
Screw Terminal Schematic

Pushbuttons Schematic

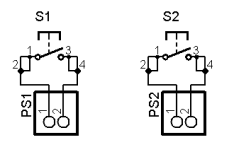
The PRO050 board has footprints for two normally open pushbuttons (S1 & S2). Connections for prototyping S1 can be made on PS1. Connections for prototyping S2 can be made on PS2. The schematic for the pushbuttons is below in Figure 8.

PRO050
Pushbutton Schematic

RJ45 Schematic

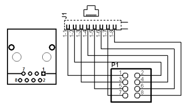
The PRO050 board has a footprint for a RJ45 jack (J1). Connections for prototyping with the RJ45 can be made on P1. The schematic for the RJ45 and top view connector diagram is below in Figure 9.

PRO050
RJ45 Schematic


2 x 3 Jumper Schematic

The PRO050 board has a footprint for a 2 x 3 jumper (JP1). Connections for prototyping the 2 x 3 jumper can be made on P1A and P1B. The schematic for the 2 x 3 jumper is below in Figure 9.

PRO050
Jumper Schematic

NEXT: Eagle 50 Connections

PREVIOUS: Introduction